山東風途物聯網科技有限公司
聯系人:杜經理
聯系電話:16652863761
QQ:2749609891
公司地址:山東省濰坊市高新區光電路155號光電產業加速器(一期)

PRODUCT
聯系人:杜經理
聯系電話:16652863761
QQ:2749609891
公司地址:山東省濰坊市高新區光電路155號光電產業加速器(一期)
產品型號:WSY485
產品價格:600元
產品品牌:風途
一、土壤溫濕鹽傳感器技術指標
土壤溫濕鹽傳感器土壤又稱鹽分傳感器、電導率傳感器,土壤溫濕鹽傳感器土壤是用不銹鋼探針通過變送器轉換成土壤鹽分的模擬或數字信號,是觀測和研究鹽漬土的發生、演變、改良以及水鹽動態的重要工具。
1.供電:DC12V
2.功耗:小于0.1W
3.工作溫度:-30~70℃
4.通信接口:RS485
5.工作電流:8mA DC12V
6.最短數據間隔:60S
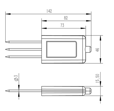
二、土壤溫濕鹽傳感器產品尺寸圖

三、土壤溫濕鹽傳感器使用注意事項
1.傳感器安裝應嚴格按照安裝使用說明書進行。
2.多個傳感器同時工作時,必須間隔5米以上距離。
3.傳感器測量原理限制,傳感器測量地為中心半徑5米范圍內不應有電磁線纜和強磁輻射干擾,
避免造成傳感器測量的巨大誤差和損壞。
4.傳感器的安裝環境應該符合傳感器的測量范圍,避免超量程等不規范行為。
5.傳感器安裝應避開強酸強堿、重油污重金屬環境進行。
6.傳感器為土壤測量傳感器,禁止將本傳感器對其他行為。
7.傳感器安裝環境不能有強振動。
8.傳感器不能有過強外力作用。
9.禁止拆卸,私自拆卸將不提供任何服務。
10.傳感器探針較為鋒利,使用時應按規定注意佩戴護具。
11.設備使用和維護應嚴格按照上述注意事項進行,如有違規使用的行為,本司不承擔相關負責
四、土壤溫濕鹽傳感器傳感器參數
| 參數 | 測量范圍 | 精度 | 分辨率 | 單位 |
| 土壤溫度 | -30~70℃ | ±0.3(-10~50℃) | 0.01 | ℃ |
| 土壤含水率 | 0~100% | ±3%(壤土)高有機質土壤(土壤有機碳含量>12%)高粘粒含量土壤(粘粒含量>45%)由于其介電弛豫特性,可能需要針對特定土壤類型進行標定 | 0.01% | --- |
| 土壤電導率 | 0~20000 | ±3%(15℃,0~10000us/cm)±5%(全量程) | 1 | us/cm |
| 土壤含鹽量 | 0~12800 | ±3% | 1 | mg/L |
更新時間:2025-10-17
本文地址:http://www.zhuoqiuit.cn/turc/783.html推一款風力發電傳感器
2024-12-26 14:33:24Voc在線監測儀在濰坊化工園區的作用
2019-08-28 07:57:02微型氣象站測量原理是什么?
2023-08-21 17:09:51土壤水分測定儀
2019-08-13 08:17:255要素微氣象儀廠家風途科技
2025-10-15 16:15:42因食用自制臭豆腐進ICU?
2021-06-10 06:58:53voc在線監測儀檢測空氣中voc監測
2019-08-28 08:13:50微氣象監測系統介紹
2022-06-15 13:35:07氣象環境監測儀原理是什么?
2022-07-28 15:39:11空氣質量監測系統
2022-09-14 17:08:40